×

Safety Rope Pull Switches

Whether on a conveyor belt, production line or machine – when maximum safety is required, BERNSTEIN rope pull switches offer a proven and reliable technical solution. Theses switches are flexible, easy to install and offer maximum safety when it is needed. The SRM series safety rope pull switches are designed and approved in accordance with IEC 947-5-5, IEC 60947-5-5 and ISO 13850. On actuation or if cable loosens or breaks, the emergency stop switching device locks automatically and can only be reset to its initial setting by using e-stop / reset button.

FOR SAFETY AND INITIATION APPLICATIONS

SRM Metal Body

Latching Style with Reset Button Optional Emergency Stop Button

  • Rope pull switch manufactured in accordance with IEC 60947-5-5 and ISO 13850
  • Protection class IP67• Stable and durable metal housing (Aluminium pressure die-casting)
  • Suitable for outdoor use
  • Can be deployed at temperatures between –30 °C and +80 °C
  • Easy to fasten due to hole template patterns common for most rope pull switch models
  • Flexible handling with three M20 x 1.5 cable entries
  • Easy installation due to the maximum connection space
  • Up to four positively driven NC contacts
  • Separate-action built-in switches
  • AS-i Safety at Work versions available

SR Plastic Body

Latching Style with Reset Button Optional Emergency Stop Button

  • Rope pull switch manufactured in accordance with IEC 60947-5-5 and ISO 13850
  • Protection class IP67
  • Stable and durable plastic housing (PA 6 GV)• Can be deployed at temperatures between –25 °C and +70 °C
  • Flexible handling with three M20 x 1.5 cable entries• Easy installation due to the maximum connection space
  • Up to four positively driven NC contacts

SRO Rope Pull Switches

Momentary or Latching Style Plastic or Metal Body

  • As metal or thermoplastic variant – or as a combination of both
  • Compact design for confined spaces
  • Emergency stop button upon request
  • Max. rope length of 30 m
  • up to 4 contacts
  • Ambient temperature: –30° to +75 °C

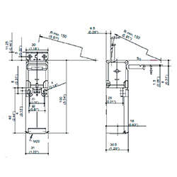
Standard Rope Pull Switches

  • Because of their specifications governed by corresponding standards (see Cable Safety Pull Switches SRM/SR), these cable pull switches are used exclusively as command devices.
  • These switches are available in metal enclosures as well as in insulationenclosed versions. They are operated manually by pulling on the attached cable.
  • Thanks to their pretension, these switches, which feature a switching contact with overlap, execute a switching function when the cable is pulled or in the event of cable breakage.

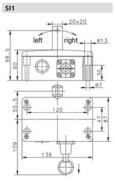
Double Sided Rope Pull Switches

  • Bernstein double-spanned rope pull switches (Si1 and Si2) are also used in emergency stop applications.
  • When the cable is pulled the switching lever is deflected in the corresponding direction and the system shut down.

Rope Pull Accessories

  • Safety Rope (sold byt the meter)
  • Connectors, thimbles, eyebolts and nuts
  • Turnbuckles and pulleys
  • Quickfix and standard springs

Please Contact Altech

Contact Altech
Specification Pages SRM Series SR Plastic Body SRO Rope Pull Switches Standard Rope Pull Switches Double Sided Rope Pull Switches Rope Pull Accessories Or contact Altech
Product added to wishlist
Product added to compare.

This site uses Cookies.