Please Contact Altech
Contact Altech
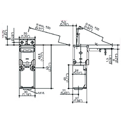
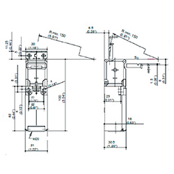
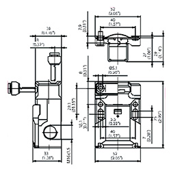
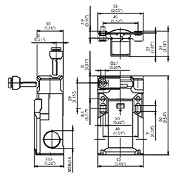
Specification Pages SKT Series SKI Series SKC Series SK Series Or contact Altech
Altech Keyed Safety Switches provide secure interlocking with a key actuator—ideal for safeguarding machine guards, doors, and access panels in industrial environments.








Save products on your wishlist to buy them later or share with your friends.
This site uses Cookies.